
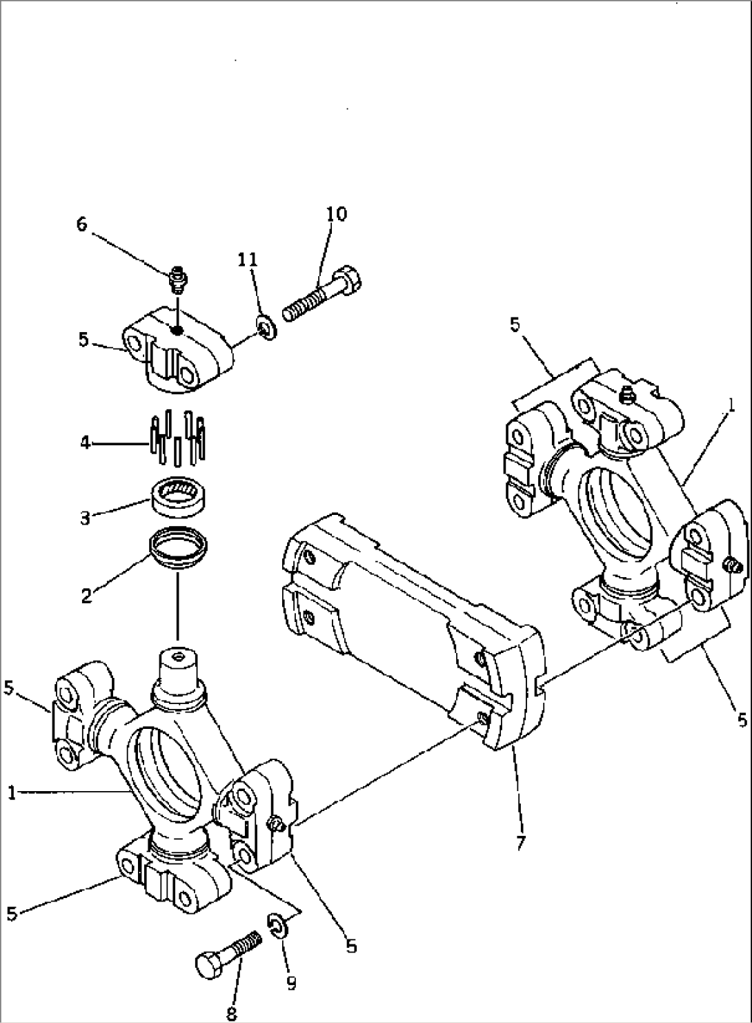
| Item | Part No. | Part Name | Qty | Serial No. | 
| 154-20-02001 | UNIVERSAL JOINT A. | 37423- | ||
| 154-20-00021 | SPIDER ASS'Y | 37423- | ||
| 1 | 150-11-11210 | SPIDER | 36534- | |
| 2 | 150-11-11220 | SEAL,DUST | 36534- | |
| 3 | 150-11-11250 | SEAL,OIL | 36534- | |
| 4 | 150-11-11240 | NEEDLE | 36534- | |
| 5 | 154-20-11130 | CASE,BEARING | 36534- | |
| 6 | 07020-00000 | FITTING,GREASE | 36534- | |
| 7 | 154-20-11170 | PLATE | 36534- | |
| 8 | 01010-81255 | BOLT | 36534- | |
| 9 | 01602-21236 | WASHER,SPRING | 36534- | |
| 10 | 01050-51260 | BOLT | 36534- | |
| 11 | 01602-21236 | WASHER,SPRING | 36534- | 
