
| Item | Part No. | Part Name | Qty | Serial No. |
| (209-60-53500) | TRAVEL MOTOR ASS'Y | 10661- | ||
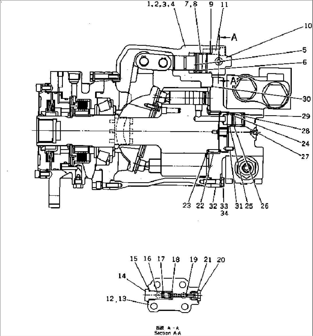
| THIS ASSEMBLY CONSISTS OF ALL PARTS SHOWN IN FIGS.6435 TO 6438. | ||||
| 1 | (\7\TMK1311-141) | HOUSING | 10661- | |
| 2 | TM0321-008 | CAP | 10661- | |
| 3 | TM0202-008 | O-RING | 10661- | |
| 4 | TM0829-150 | PLUG | 10661- | |
| 5 | TM1338-106 | ROD | 10661- | |
| 6 | TM1393-184 | SPACER | 10661- | |
| 7 | TM8202-033 | O-RING | 10661- | |
| 8 | TM0859-218 | RING | 10661- | |
| 9 | TM8200-054 | O-RING | 10661- | |
| 10 | (\7\TMK1303-210) | COVER | 10661- | |
| 11 | 01252-41445 | BOLT,(0576-034) | 10661- | |
| 12 | TM08029-148 | PLUG | 10661- | |
| 13 | 07043-00211 | PLUG,(8320-001) | 10661- | |
| 14 | TM1387-110 | CAP | 10661- | |
| 15 | 07000-12020 | O-RING,(0202-007) | 10661- | |
| 16 | TM0201-012 | O-RING | 10661- | |
| 17 | TM1390-138 | SPRING | 10661- | |
| 18 | TM1399-169 | STOPPER | 10661- | |
| 19 | (\7\TMK1326-107) | SPOOL | 10661- | |
| 20 | TM1387-103 | CAP | 10661- | |
| 21 | 07000-12016 | O-RING,(0202-006) | 10661- | |
| 22 | TM0682-125 | BEARING | 10661- | |
| 23 | TM0683-102 | BEARING | 10661- | |
| 24 | TM1313-150 | PLATE | 10661- | |
| 25 | TM1391-117 | BUSHING | 10661- | |
| 26 | TM0719-046 | RING | 10661- | |
| 27 | TM1390-139 | SPRING | 10661- | |
| 28 | TM1393-120 | SPACER | 10661- | |
| 29 | TM1393-119 | SPACER | 10661- | |
| 30 | TM0200-160 | O-RING | 10661- | |
| 31 | TM0522-143 | PIN | 10661- | |
| 32 | (\7\TMK1303-213) | COVER | 10661- | |
| 33 | 01010-51245 | BOLT,(0542-013) | 10661- | |
| 34 | 01602-21236 | WASHER,SPRING (8131-009) | 10661- |
