
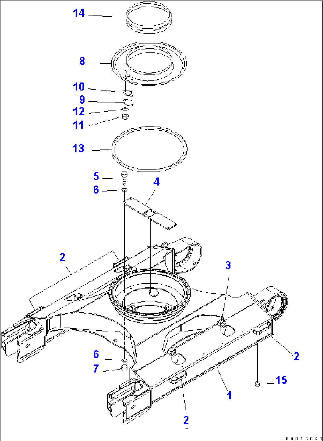
| Item | Part No. | Part Name | Qty | Serial No. |
| 1 | 22U-30-21211 | TRACK FRAME | 21222- | |
| 2 | 203-30-61C51 | PLATE (WELDED) | 21222- | |
| 3 | 20Y-30-31D21 | BRACKET (WELDED) | 21222- | |
| 4 | 20Y-30-31E81 | PLATE | 21222- | |
| 5 | 01010-82065 | BOLT | 21222- | |
| 6 | 01643-32060 | WASHER | 21222- | |
| 7 | 01580-12016 | NUT | 21222- | |
| 8 | 20Y-30-21151 | COVER | 20001- | |
| 9 | 205-30-71181 | COVER | 20001- | |
| 10 | 205-30-71191 | GASKET | 20001- | |
| 11 | 01580-11008 | NUT | 20001- | |
| 12 | 01643-31032 | WASHER | 20001- | |
| 13 | 20Y-30-11370 | SEAL | 20001- | |
| 14 | 205-30-71171 | SEAL | 20001- | |
| 15 | 07049-02025 | PLUG | 20001- |
