
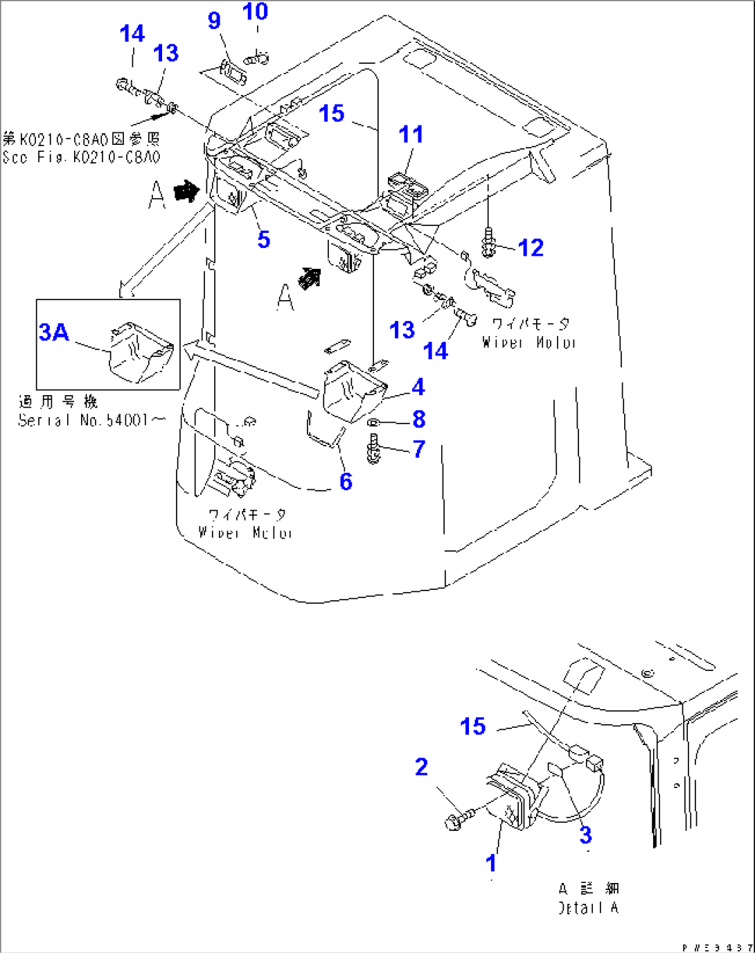
| Item | Part No. | Part Name | Qty | Serial No. |
| (424-926-2030) | ROPS CAB ASS'Y | 54001- | ||
| (421-926-2052) | ROPS CAB ASS'Y | 53001-53999 | ||
| THESE ASSEMBLIES CONSIST OF ALL PARTS SHOWN IN FIGS.K0210-01A0 TO K0210-19A0. | ||||
| 1 | 421-06-23360 | LAMP ASS'Y,WORK | 53001- | |
| 421-06-23320 | LENS | 53001- | ||
| 421-06-23330 | BULB¤ 70W | 53001- | ||
| 2 | 01435-01220 | BOLT | 53001- | |
| 3 | 421-56-21680 | FASTENER | 53001- | |
| 3A | 424-926-2260 | COVER | 54001- | |
| 4 | 421-56-21330 | COVER,L.H. | 53001-53999 | |
| 5 | 421-56-21340 | COVER,R.H. | 53001-53999 | |
| 6 | 421-56-21350 | SEAL | 53001- | |
| 7 | 01023-70512 | SCREW | 53001- | |
| 8 | 01642-40608 | WASHER | 53001- | |
| 9 | 421-56-21420 | PANEL,SWITCH | 53001- | |
| 10 | 01224-70516 | SCREW | 53001- | |
| 11 | 421-06-26210 | LAMP ASS'Y,ROOM | 53001- | |
| 421-06-26250 | LENS | 53001- | ||
| 421-06-26260 | BULB¤ 10W | 53001- | ||
| 12 | 01023-70512 | SCREW | 53001- | |
| 13 | 421-56-21730 | SWITCH,DOOR | 53001- | |
| 14 | 01220-70512 | SCREW | 53001- | |
| 15 | 424-926-2320 | WIRING HARNESS | 54001- | |
| 425-56-21650 | WIRING HARNESS | 53001-53999 |
