
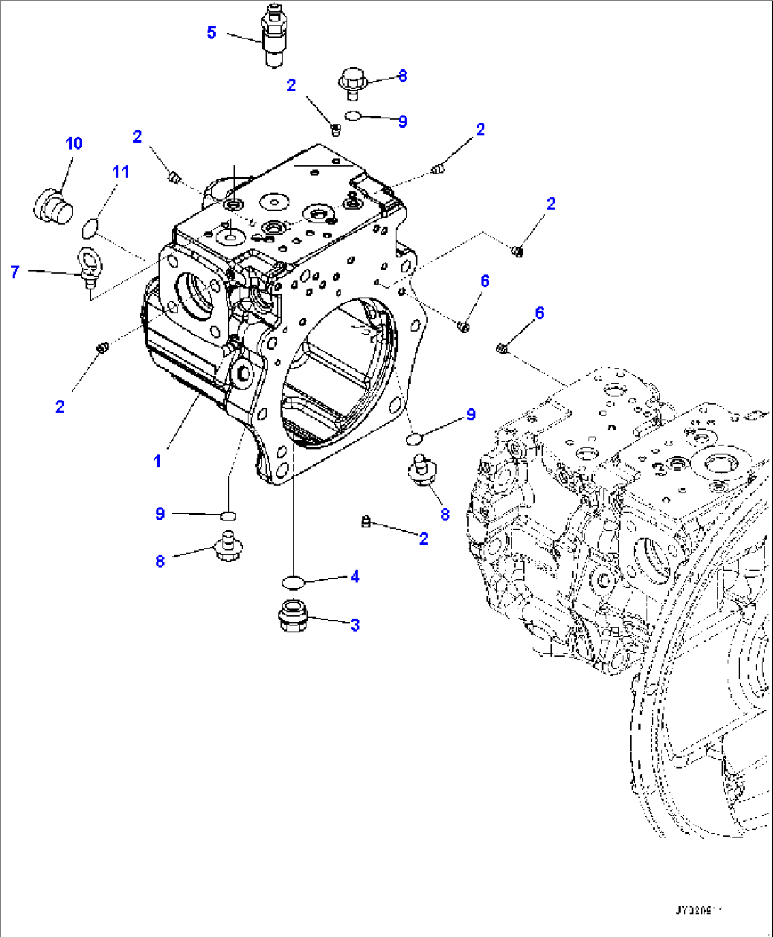
| Item | Part No. | Part Name | Qty | Serial No. |
| 708-2G-00181 | Pump Assembly | 80067- | ||
| (708-2G-01181) | Pump Subassembly | 80067- | ||
| (708-2G-04750) | Case Assembly, Rear | 80067- | ||
| 1 | Case, Rear | 80067- | ||
| 2 | Plug, Stocking | 80067- | ||
| 3 | 07044-12412 | Plug | 80067- | |
| 4 | 07002-62434 | O-ring | 80067- | |
| 5 | 20B-27-11210 | Bleeder | 80067- | |
| 6 | (708-1L-29340) | Orifice | 80067- | |
| 7 | 04530-11222 | Bolt, Eye | 80067- | |
| 8 | 708-8E-16150 | Plug | 80067- | |
| 9 | 07002-61023 | O-ring | 80067- | |
| 10 | 07040-12414 | Plug | 80067- | |
| 11 | 07002-62434 | O-ring | 80067- |
