Ваш браузер устарел. Этот сайт может работать неполноценно или выглядеть сломанным. Обновите ваш браузер, если можете.

Поиск по каталогу

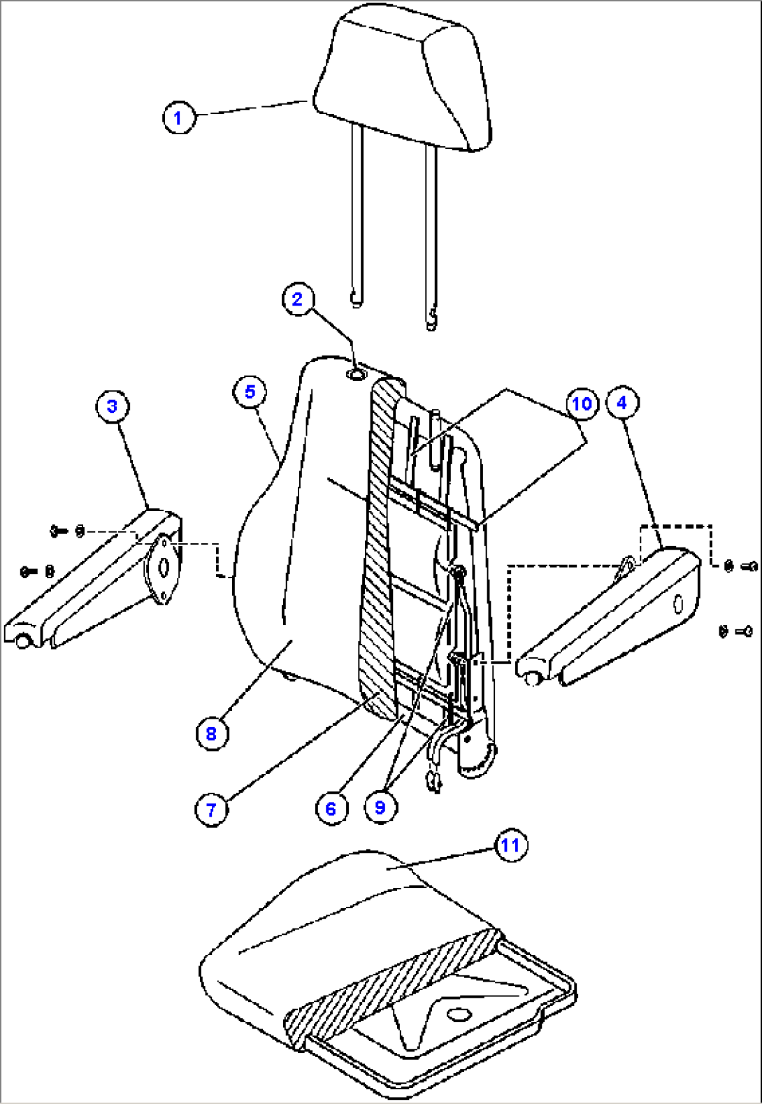
OPERATOR'S SEAT ASSEMBLY (EJ8295)

OPERATOR
ItemPart No.Part NameQtySerial No.
1VE2962HEADREST
2VE8737FERREL (1)
3VE8728KIT, ARMREST - R.H. (2)
3VE4592ARMREST - R.H.
3KIT, HARDWARE (3)
4VE8727KIT, ARMREST - L.H. (2)
4VE4591ARMREST - L.H.
4KIT, HARDWARE (3)
5VE8365BACKREST ASSEMBLY
6VE4566FRAME
7VE4567FOAM
8VE4568COVER
9VE8735KIT, AIR LUMBAR
9BAG, AIR LUMBAR (3)
9KIT, PLASTIC PARTS (1)
10LA0335KIT, HARDWARE
11XA2236SEAT PAN ASSEMBLY
11LA0338KIT, HARDWARE
NS|19NOTE: (1) INCLUDED IN VE8365 BACKREST ASSEMBLY.
NS|20(2) INCLUDED IN VE4557 ARMREST SET.
NS|21(3) NOT SERVICED SEPARATELY.
Вернуться в каталог

Заявка

Обратная связь