
| Item | Part No. | Part Name | Qty | Serial No. |
| G-1 | (\8\20Y-54-X1742) | OPERATOR'S CAB GROUP | 36349- | |
| G-1 | (\8\20Y-54-X1741) | OPERATOR'S CAB GROUP | 35001-36348 | |
| ==================== | ||||
| (20Y-54-00101) | OPERATOR'S CAB ASS'Y | 36349- | ||
| \0\20Y-54-00100 | OPERATOR'S CAB ASS'Y | 35001-36348 | ||
| THESE ASSEMBLIES CONSIST OF ALL PARTS SHOWN IN FIGS.5281 TO 5287. | ||||
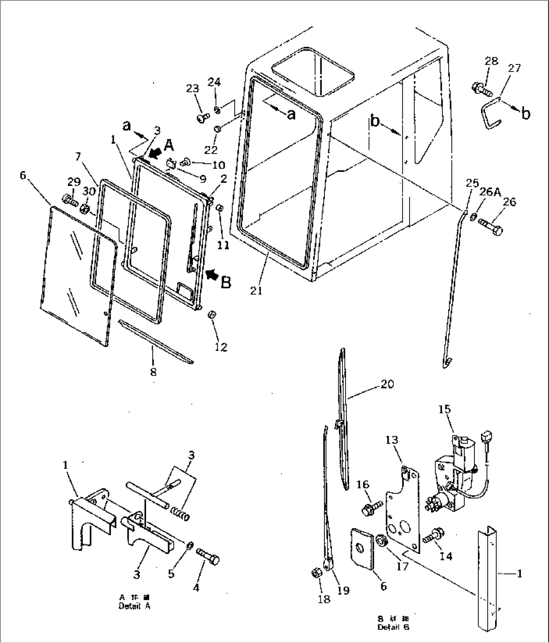
| 20Y-54-00034 | WINDOW ASS'Y | 35001- | ||
| 1 | 20Y-54-14711 | WINDOW | 35001- | |
| 2 | 20Y-54-14681 | LATCH ASS'Y | 35001- | |
| 3 | 20Y-54-14691 | LATCH ASS'Y | 35001- | |
| 4 | 20Y-54-14750 | BOLT | 35001- | |
| 5 | 01643-70823 | WASHER | 35001- | |
| 6 | 20Y-54-11311 | GLASS | 35001- | |
| 7 | 20Y-54-13920 | WEATHER STRIP | 35001- | |
| 8 | 20Y-54-11821 | SEAL | 35001- | |
| 9 | 20Y-54-14310 | STRIKER | 35001- | |
| 10 | 20Y-54-14280 | SCREW | 35001- | |
| 11 | 20Y-54-11580 | ROLLER | 35001- | |
| 12 | 20Y-54-11570 | ROLLER | 35001- | |
| 13 | 20Y-54-11791 | BRACKET | 35001- | |
| 14 | 20Y-54-14360 | BOLT | 35001- | |
| 15 | 20Y-06-11750 | MOTOR,WIPER | 35001- | |
| 16 | 20Y-54-14380 | BOLT | 35001- | |
| 17 | 08037-02512 | GROMMET | 35001- | |
| 18 | 01580-10806 | NUT | 35001- | |
| 19 | 20Y-06-11760 | ARM,WIPER | 35001- | |
| 20 | 20Y-06-11770 | BLADE | 35001- | |
| 21 | 20Y-54-11831 | TRIM | 35001- | |
| 22 | 09415-01008 | CAP | 35001- | |
| 23 | 01220-40412 | SCREW | 35001- | |
| 24 | 01601-20410 | WASHER,SPRING | 35001- | |
| 25 | 20Y-54-11770 | GRIP | 35001- | |
| 26 | 20Y-43-12160 | BOLT | 35001- | |
| 26A | 01643-71032 | WASHER | 35001- | |
| 27 | 20Y-54-11783 | GRIP | 35001- | |
| 28 | 20Y-54-14360 | BOLT | 35001- | |
| 29 | 20Y-54-14290 | STOPPER | 35001- | |
| 30 | 01580-11008 | NUT | 35001- | |
| ==================== |
