
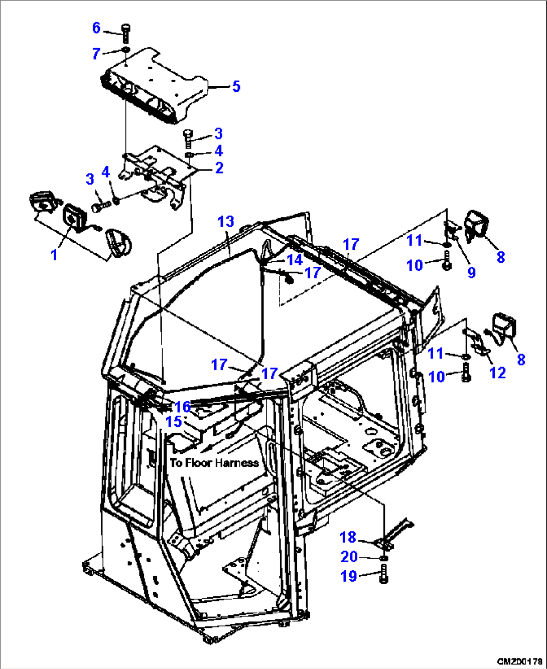
| Item | Part No. | Part Name | Qty | Serial No. |
| 1 | 11Y-06-11372 | LAMP | B10001- | |
| 421-06-23330 | BULB, 70 W | B10001- | ||
| 2 | 12Y-06-12122 | BRACKET | B10001- | |
| 3 | 01010-81225 | BOLT | B10001- | |
| 4 | 01643-31232 | WASHER | B10001- | |
| 5 | 12Y-06-12133 | COVER | B10001- | |
| 6 | 01010-81025 | BOLT | B10001- | |
| 7 | 01643-31032 | WASHER | B10001- | |
| 8 | 11Y-06-11372 | LAMP | B10001- | |
| 421-06-23330 | BULB, 70 W | B10001- | ||
| 9 | 12Y-06-12171 | PLATE | B10001- | |
| 10 | 01010-80830 | BOLT | B11060- | |
| \1\01010-D0825 | BOLT | B10001-B11059 | ||
| 11 | 01643-30823 | WASHER | B11060- | |
| \1\01643-70823 | WASHER | B10001-B11059 | ||
| 12 | 12Y-06-12271 | PLATE | B10001- | |
| 13 | 12Y-06-12185 | HARNESS, WIRING - WORK LAMPS | B13406- | |
| \0\12Y-06-12184 | HARNESS, WIRING - WORK LAMPS | B10001-B13405 | ||
| 14 | 08037-11425 | GROMMET | B11449- | |
| \0\08037-11025 | GROMMET | B10001-B11448 | ||
| 15 | 08037-11425 | GROMMET | B10001- | |
| 16 | 12Y-06-13151 | SEAL | B10001- | |
| 17 | 08034-20519 | BAND | B10001- | |
| 18 | 12Y-06-12191 | COVER | B10001- | |
| 19 | 01010-81016 | BOLT | B10001- | |
| 20 | 01643-31032 | WASHER | B10001- |
