
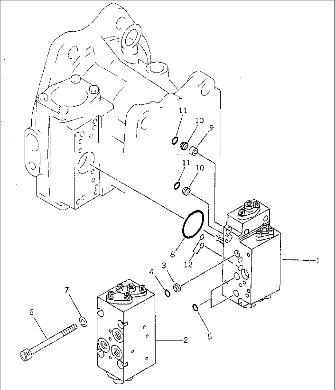
| Item | Part No. | Part Name | Qty | Serial No. |
| (708-25-02081) | PUMP ASS'Y,(HPV 90+90) | 10209- | ||
| \0\708-25-02080 | PUMP ASS'Y,(HPV 90+90) | 10001-10208 | ||
| THESE ASSEMBLIES CONSIST OF ALL PARTS SHOWN IN FIGS.6151 TO 6160. | ||||
| 708-25-07190 | SERVO VALVE ASS'Y,FRONT | 10001- | ||
| THIS ASSEMBLY CONSISTS OF ALL PARTS SHOWN IN FIGS.6157 TO 6159. | ||||
| 1 | (708-25-07390) | SERVO VALVE SUB A.,FRONT | 10001- | |
| 2 | (708-25-07590) | VALVE ASS'Y,CO AND NC | 10001- | |
| 3 | 720-68-11920 | FILTER | 10001- | |
| 4 | 07000-12010 | O-RING | 10001- | |
| 5 | 07000-02011 | O-RING | 10001- | |
| 6 | 708-25-19160 | BOLT | 10001- | |
| 7 | 01602-20825 | WASHER,SPRING | 10001- | |
| 8 | 07000-03048 | O-RING | 10001- | |
| 9 | 708-25-19150 | ORIFICE | 10001- | |
| 10 | 720-68-11920 | FILTER | 10001- | |
| 11 | 07000-12010 | O-RING | 10001- | |
| 12 | 07000-11009 | O-RING | 10001- |
