
| Item | Part No. | Part Name | Qty | Serial No. |
| (708-25-04051) | PUMP ASS'Y | .- | ||
| (\0\708-25-04014) | PUMP ASS'Y | K20001-. | ||
| THESE ASSEMBLIES CONSIST OF ALL PARTS SHOWN IN FIGS.6101 TO 6151. | ||||
| (708-25-04613) | SERVO VALVE ASS'Y,REAR | K20001- | ||
| THIS ASSEMBLY CONSISTS OF ALL PARTS SHOWN IN FIGS.6131 TO 6137. | ||||
| 708-25-04811 | VALVE ASS'Y,CO AND NC | K20001- | ||
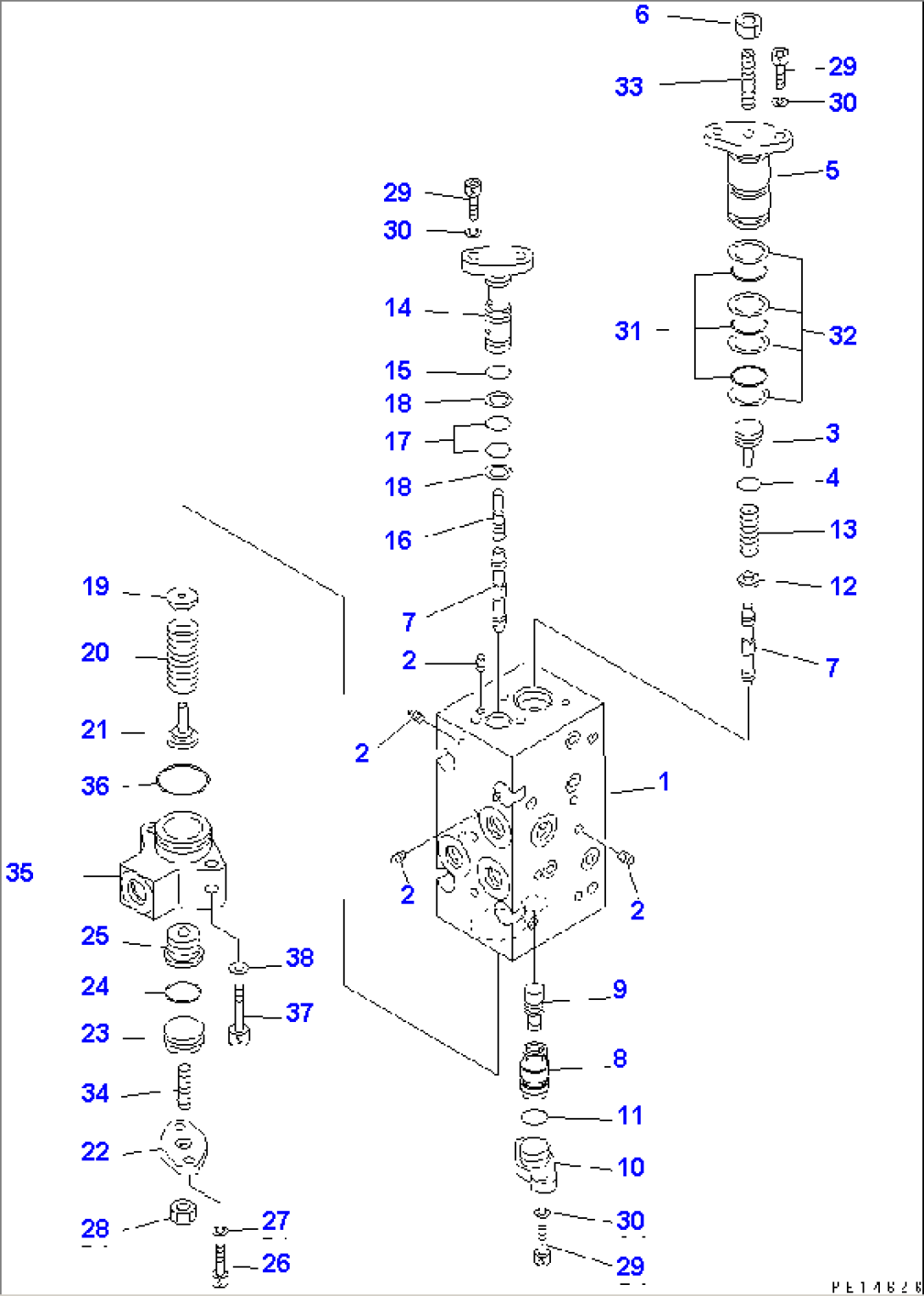
| (\7\708-23-00441) | BODY ASS'Y | K20001- | ||
| 1 | \6\ | BODY | K20001- | |
| 2 | \6\ | EXPANDER | K20001- | |
| 3 | (\7\708-25-17460) | PLUG | K20001- | |
| 4 | (\7\07000-02010) | O-RING | K20001- | |
| 5 | (\7\708-25-17131) | COVER | K20001- | |
| 6 | (\7\01580-10806) | NUT | K20001- | |
| 7 | (\7\708-25-17141) | SPOOL | K20001- | |
| 8 | (\7\708-25-17150) | SLEEVE | K20001- | |
| 9 | (\7\708-25-17160) | PISTON | K20001- | |
| 10 | (\7\708-25-17170) | COVER | K20001- | |
| 11 | (\7\07000-02014) | O-RING | K20001- | |
| 12 | (\7\708-25-17180) | SEAT | K20001- | |
| 13 | (\7\708-25-17690) | SPRING | K20001- | |
| 14 | (\7\708-25-17451) | SLEEVE | K20001- | |
| 15 | (\7\07000-02012) | O-RING | K20001- | |
| 16 | (\7\708-25-17220) | PISTON | K20001- | |
| 17 | (\7\07000-12012) | O-RING | K20001- | |
| 18 | (\7\07001-02012) | RING,BACK-UP | K20001- | |
| 19 | (\7\708-25-17370) | SEAT | K20001- | |
| 20 | (\7\708-25-17250) | SPRING | K20001- | |
| 21 | (\7\708-25-17260) | SEAT | K20001- | |
| 22 | (\7\708-23-17240) | COVER | K20001- | |
| 23 | (\7\708-25-17380) | PLUG | K20001- | |
| 24 | (\7\07000-02021) | O-RING | K20001- | |
| 25 | (\7\708-23-17270) | PISTON | K20001- | |
| 26 | (\7\708-25-15320) | BOLT | K20001- | |
| 27 | (\7\01602-20619) | WASHER,SPRING | K20001- | |
| 28 | (\7\01580-10806) | NUT | K20001- | |
| 29 | (\7\708-25-15320) | BOLT | K20001- | |
| 30 | (\7\01602-20619) | WASHER,SPRING | K20001- | |
| 31 | (\7\07000-12021) | O-RING | K20001- | |
| 32 | (\7\07001-02021) | RING,BACK-UP | K20001- | |
| 33 | (\7\708-25-17430) | SCREW | K20001- | |
| 34 | (\7\708-25-15340) | SCREW | K20001- | |
| 35 | (\7\708-23-17290) | COVER | K20001- | |
| 36 | (\7\07000-03028) | O-RING | K20001- | |
| 37 | (\7\706-75-40310) | BOLT | K20001- | |
| 38 | (\7\01602-20619) | WASHER,SPRING | K20001- |
