
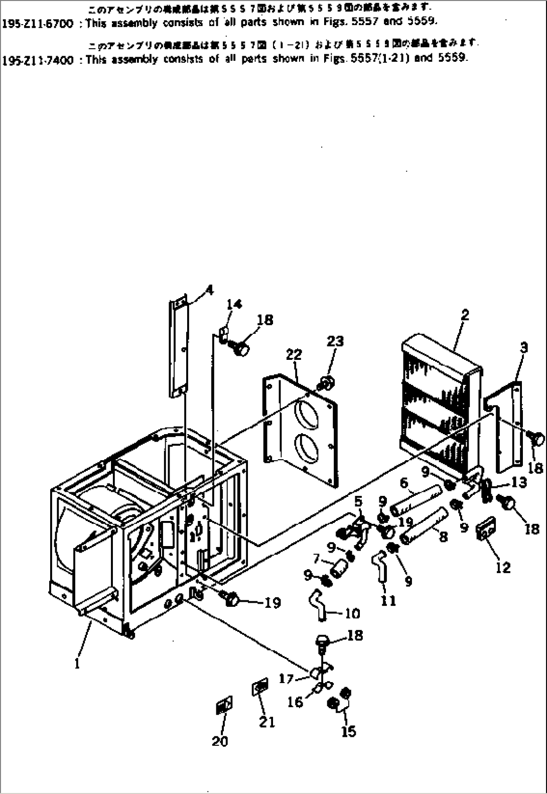
Item | Part No. | Part Name | Qty | Serial No. |
195-Z11-6700 | HEATER ASS'Y | 15001- | ||
195-Z11-7400 | UNIT ASS'Y | 15001- | ||
1 | 195-Z11-7410 | CASE ASS'Y | 15001- | |
2 | 195-Z11-5520 | RADIATOR ASS'Y | 15001- | |
3 | 195-Z11-5680 | COVER | 15001- | |
4 | 195-Z11-5930 | STAY | 15001- | |
5 | 195-Z11-5740 | VALVE ASS'Y | 15001- | |
6 | 195-Z11-5760 | HOSE | 15001- | |
7 | 195-Z11-5770 | HOSE | 15001- | |
8 | 195-Z11-5750 | HOSE | 15001- | |
9 | 145-Z79-6560 | CLIP | 15001- | |
10 | 195-Z11-5820 | PIPE | 15001- | |
11 | 195-Z11-5830 | PIPE | 15001- | |
12 | 195-Z11-5780 | GROMMET | 15001- | |
13 | 195-Z11-6120 | CLAMP | 15001- | |
14 | 195-Z11-7160 | CLAMP | 15001- | |
15 | 195-Z11-5790 | GROMMET | 15001- | |
16 | 195-Z11-5970 | CLAMP | 15001- | |
17 | 195-Z11-6110 | CLAMP | 15001- | |
18 | 01010-50616 | BOLT | 15001- | |
19 | 01010-50816 | BOLT | 15001- | |
20 | ND146741-2680 | ORNAMENT | 15001- | |
21 | ND146741-2570 | ORNAMENT | 15001- | |
22 | 195-Z11-6291 | DUCT,AIR | 15001- | |
23 | 01010-50816 | BOLT | 15001- |