
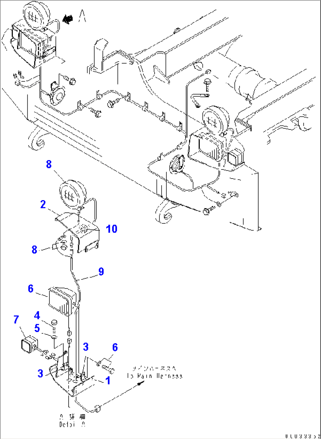
| Item | Part No. | Part Name | Qty | Serial No. |
| 1 | 56C-46-11841 | BRACKET,R.H. | 1122- | |
| 2 | 56B-86-14110 | COVER,R.H. | 1122- | |
| 3 | 56C-46-11890 | PLATE | 1122- | |
| 4 | 01010-80820 | BOLT | 1122- | |
| 5 | 01643-30823 | WASHER | 1122- | |
| 6 | 424-06-23210 | HEAD LAMP ASS'Y | 1122- | |
| 6 | 08056-00371 | CONNECTOR | 1122- | |
| 6 | 424-06-23220 | LENS | 1122- | |
| 6 | 424-06-23230 | BULB, 75/70W | 1122- | |
| 7 | 41G-06-13201 | LAMP ASS'Y | 1122- | |
| 7 | 41G-06-13210 | LENS,F | 1122- | |
| 7 | 41G-06-13220 | LENS,R | 1122- | |
| 7 | 41G-06-13230 | BULB, 5W | 1122- | |
| 7 | 08105-12420 | BULB, 25W | 1122- | |
| 7 | 01220-40425 | SCREW | 1122- | |
| 7 | 08021-00400 | CONNECTOR | 1122- | |
| 7 | 08022-04001 | CONNECTOR | 1122- | |
| 8 | 566-95-14200 | FOG LAMP ASS'Y,FOG | 1122- | |
| 8 | 566-95-14220 | BULB, 55W | 1122- | |
| 9 | 56B-86-14410 | WIRING HARNESS | 1122- | |
| 10 | 135-06-34260 | GROMMET | 1122- |
