
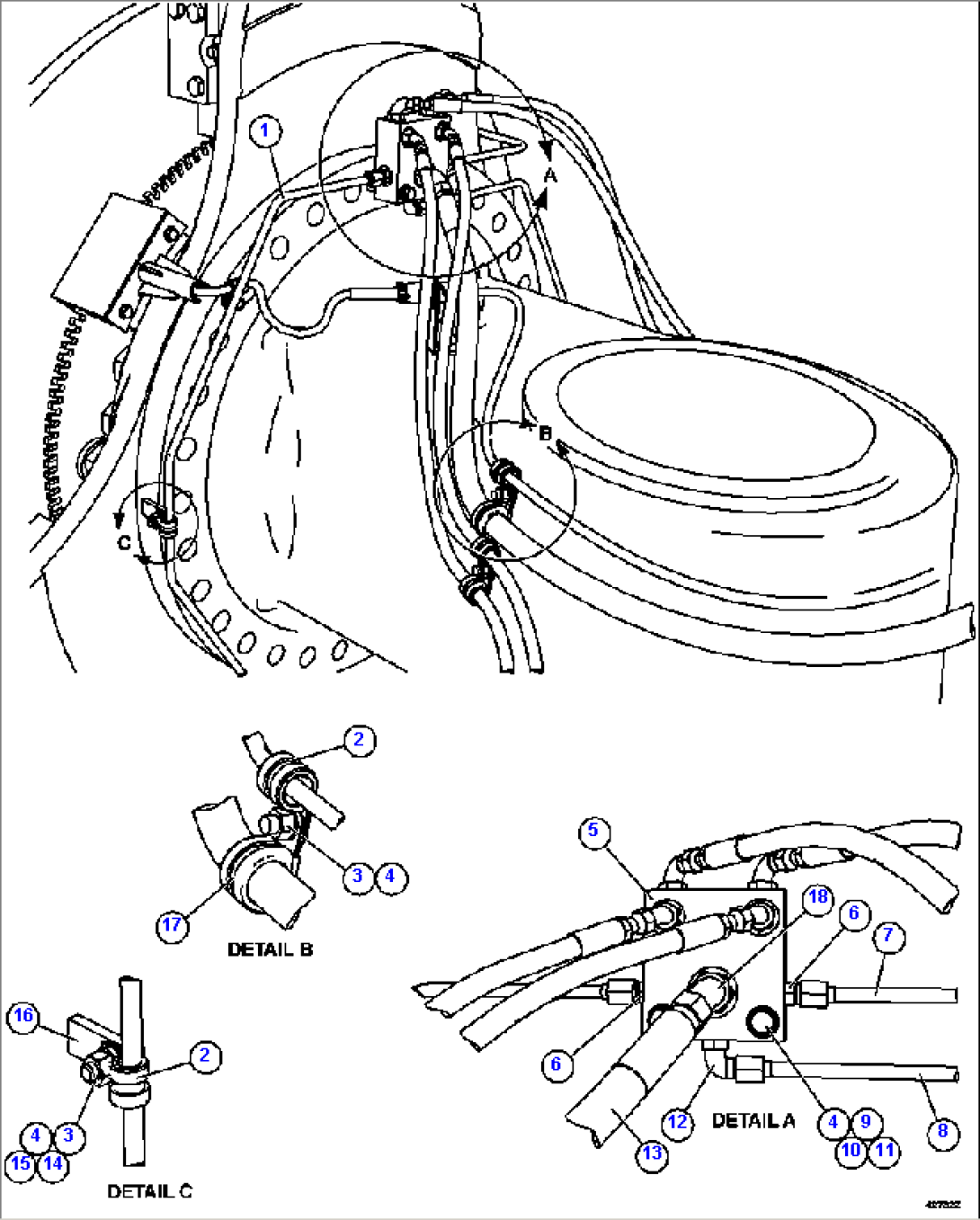
| Item | Part No. | Part Name | Qty | Serial No. |
| 1 | TZ7335 | TUBE | ||
| 2 | WB3098 | CLAMP, CUSHION - 3/8" | ||
| 3 | C1521 | NUT - 3/8" - 16NC | ||
| 4 | C0312 | LOCKWASHER - 3/8" | ||
| 5 | TY2147 | BLOCK, JUNCTION | ||
| 6 | WB0581 | FITTING, STRAIGHT | ||
| 7 | TZ7334 | TUBE | ||
| 8 | TZ7336 | TUBE | ||
| 9 | C8558 | CAPSCREW - 3/8" - 16NC X 3 1/4" | ||
| 10 | DF3042 | FLAT WASHER - 3/8" | ||
| 11 | VW5169 | SPACER | ||
| 12 | WB0505 | FITTING, ELBOW - 90 DEG | ||
| 13 | HA8641 | HOSE (SUPPLY) | ||
| 14 | C1602 | CAPSCREW - 3/8" - 16NC X 1" | ||
| 15 | TR4436 | FLAT WASHER - 3/8" | ||
| 16 | TZ7333 | BAR, FLAT | ||
| 17 | WB3093 | CLAMP, CUSHION - 1" | ||
| 18 | WB0538 | FITTING, ELBOW - 45 DEG (AT JUNCTION BLOCK) |
