
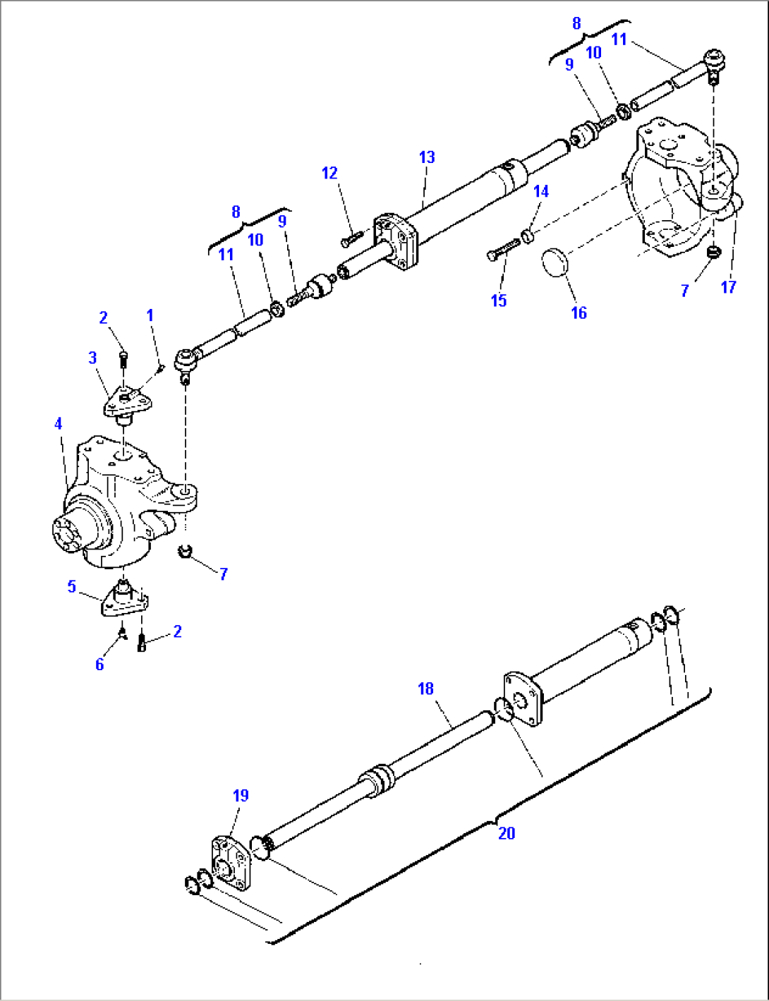
| Item | Part No. | Part Name | Qty | Serial No. |
| \0 | (200040622) | FRONT AXLE, ASSY | 101- | |
| 1 | CA0024210 | FITTING | 101- | |
| 2 | CA0126922 | BOLT | 101- | |
| 3 | CA0128880 | KING PIN | 101- | |
| 4 | CA0138721 | SWIVEL HOUSING, L.H. | 101- | |
| 5 | CA0128881 | KING PIN | 101- | |
| 6 | CA0024211 | FITTING | 101- | |
| 7 | CA0022431 | NUT | 101- | |
| 8 | CA0140265 | STERING ARM ASSY | 101- | |
| 9 | CA0350878 | SPHERICAL JOINT | 101- | |
| 10 | CA0070787 | NUT | 101- | |
| 11 | CA0351887 | TIE ROD | 101- | |
| 12 | CA0139495 | JACK | 101- | |
| 13 | CA0128534 | BOLT | 101- | |
| 14 | CA0022129 | NUT | 101- | |
| 15 | CA0124748 | BOLT | 101- | |
| 16 | CA0123171 | PLUG | 101- | |
| 17 | CA0138720 | SWIVEL HOUSING, R.H. | 101- | |
| 18 | CA0049083 | ROD | 101- | |
| 19 | CA0049084 | CYLINDER HEAD | 101- | |
| 20 | CA0049210 | GASKET KIT | 101- |
