
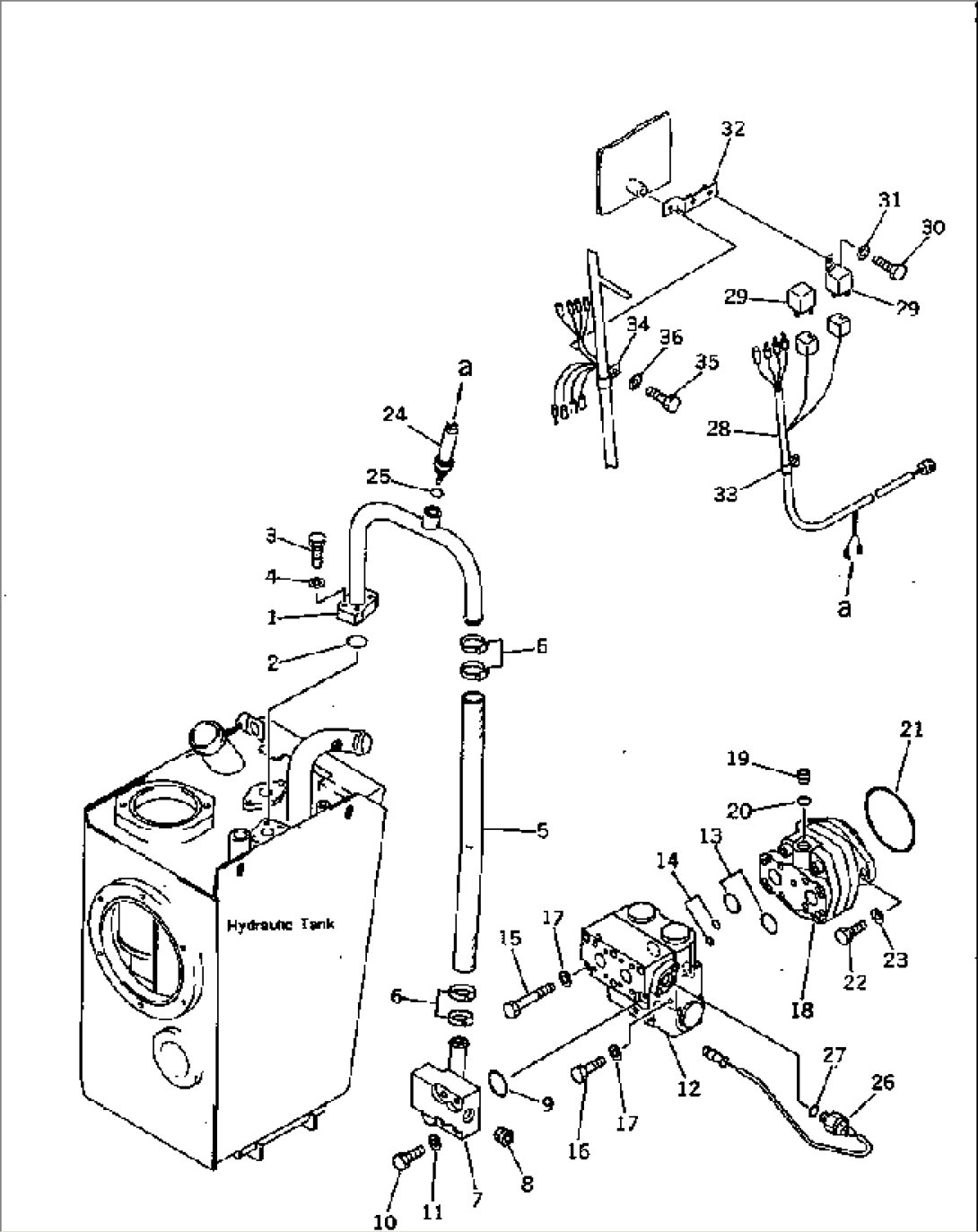
| Item | Part No. | Part Name | Qty | Serial No. |
| 1 | 417-875-1262 | TUBE | 10001-19999 | |
| 2 | 07000-03028 | O-RING | 10001-19999 | |
| 3 | 01010-30835 | BOLT | 10001-19999 | |
| 4 | 01643-50823 | WASHER | 10001-19999 | |
| 5 | 07260-02650 | HOSE | 10001-19999 | |
| 6 | 07281-00489 | CLAMP | 10001-19999 | |
| 7 | 417-875-1271 | TUBE | 10001-19999 | |
| 8 | 07042-00617 | PLUG | 10001-19999 | |
| 9 | 07000-03042 | O-RING | 10001-19999 | |
| 10 | 01010-31055 | BOLT | 10001-19999 | |
| 11 | 01643-31032 | WASHER | 10001-19999 | |
| 12 | (421-875-1101) | DIVIDER VALVE ASS'Y | 10001-19999 | |
| 13 | 07000-13040 | O-RING | 10001-19999 | |
| 14 | 07000-02012 | O-RING | 10001-19999 | |
| 15 | 01010-31085 | BOLT | 10001-19999 | |
| 16 | 01011-31045 | BOLT | 10001-19999 | |
| 17 | 01643-31032 | WASHER | 10001-19999 | |
| 18 | (704-31-24110) | PUMP ASS'Y | 10001-19999 | |
| 19 | 07040-12012 | PLUG | 10001-19999 | |
| 20 | 07002-02034 | O-RING | 10001-19999 | |
| 21 | 07000-02105 | O-RING | 10001-19999 | |
| 22 | 01010-31235 | BOLT | 10001-19999 | |
| 23 | 01643-31232 | WASHER | 10001-19999 | |
| 24 | 421-06-11990 | SWITCH,FLOW | 10001-19999 | |
| 25 | 20D-62-17150 | O-RING | 10001-19999 | |
| 26 | 421-06-11980 | SWITCH | 10001-19999 | |
| 27 | 07002-02034 | O-RING | 10001-19999 | |
| 28 | 417-06-12470 | WIRE ASS'Y | 10001-19999 | |
| 29 | 287-06-16410 | RELAY | 10001-19999 | |
| 29 | 287-06-16420 | BRACKET | 10001-19999 | |
| 30 | 01010-30612 | BOLT | 10001-19999 | |
| 31 | 01643-30623 | WASHER | 10001-19999 | |
| 32 | 417-06-12540 | PLATE | 10001-19999 | |
| 33 | 08036-01414 | CLIP | 10001-19999 | |
| 34 | 423-06-12640 | CLIP | 10001-19999 | |
| 35 | 01010-31020 | BOLT | 10001-19999 | |
| 36 | 01643-31032 | WASHER | 10001-19999 |
