
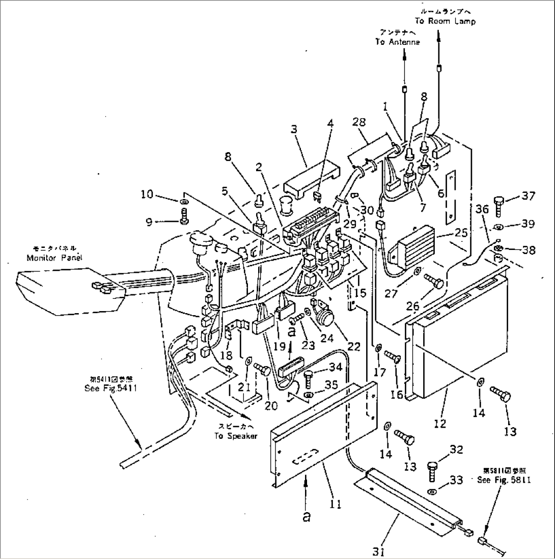
Item | Part No. | Part Name | Qty | Serial No. |
1 | 203-06-57131 | WIRE ASS'Y | 14001-14143 | |
22W-06-13590 | DIODE | 14001-14143 | ||
2 | 195-Z11-2280 | BODY,FUSE BOX | 14001-@ | |
3 | 195-Z11-2290 | COVER,FUSE BOX | 14001-@ | |
4 | 22W-06-13150 | FUSE¤ 5A | 14001-@ | |
283-06-16190 | FUSE¤ 10A | 14001-14143 | ||
205-06-73180 | FUSE¤ 15A | 14001-14143 | ||
5 | 203-06-56520 | SWITCH,SWING LOCK | 14001-@ | |
6 | 203-06-41570 | SWITCH,SWING PROLIX | 14001-@ | |
7 | 203-06-56520 | SWITCH,T.V.C. PROLIX | 14001-@ | |
8 | 203-06-41680 | CAP | 14001-@ | |
9 | 01220-40620 | SCREW | 14001-@ | |
10 | 01642-20608 | WASHER | 14001-@ | |
11 | 7824-30-1100 | CONTROL BOX ASS'Y,GOVERNOR | 14001-@ | |
12 | 7824-10-2000 | CONTROL BOX ASS'Y,PUMP | 14001-14143 | |
13 | 01010-51020 | BOLT | 14001-@ | |
14 | 01643-31032 | WASHER | 14001-@ | |
15 | 22W-06-13450 | RELAY ASS'Y | 14001-14143 | |
16 | 01220-40610 | SCREW | 14001-14143 | |
17 | 01642-20608 | WASHER | 14001-14143 | |
18 | 08053-16212 | CLIP | 14001-@ | |
19 | 08053-15012 | CLIP | 14001-@ | |
20 | 01010-51016 | BOLT | 14001-@ | |
21 | 01643-31032 | WASHER | 14001-@ | |
22 | 203-06-56230 | BUZZER ASS'Y | 14001-@ | |
23 | 01220-40616 | SCREW | 14001-@ | |
24 | 01642-20608 | WASHER | 14001-@ | |
25 | 7824-10-2400 | RESISTOR | 14001-@ | |
26 | 01010-50820 | BOLT | 14001-@ | |
27 | 01643-30823 | WASHER | 14001-@ | |
28 | 08034-00519 | BAND | 14001-@ | |
29 | 08034-00414 | BAND | 14001-@ | |
30 | 203-06-56510 | CLIP | 14001-14143 | |
31 | 203-06-56251 | COVER | 14001-@ | |
32 | 01010-51020 | BOLT | 14001-@ | |
33 | 01643-31032 | WASHER | 14001-@ | |
34 | 01010-50816 | BOLT | 14001-@ | |
35 | 01643-30823 | WASHER | 14001-@ | |
36 | 20Y-06-11940 | WIRING HARNESS | 14001-@ | |
37 | 01010-50816 | BOLT | 14001-@ | |
38 | 01605-10818 | WASHER | 14001-@ | |
39 | 01643-30823 | WASHER | 14001-@ |