
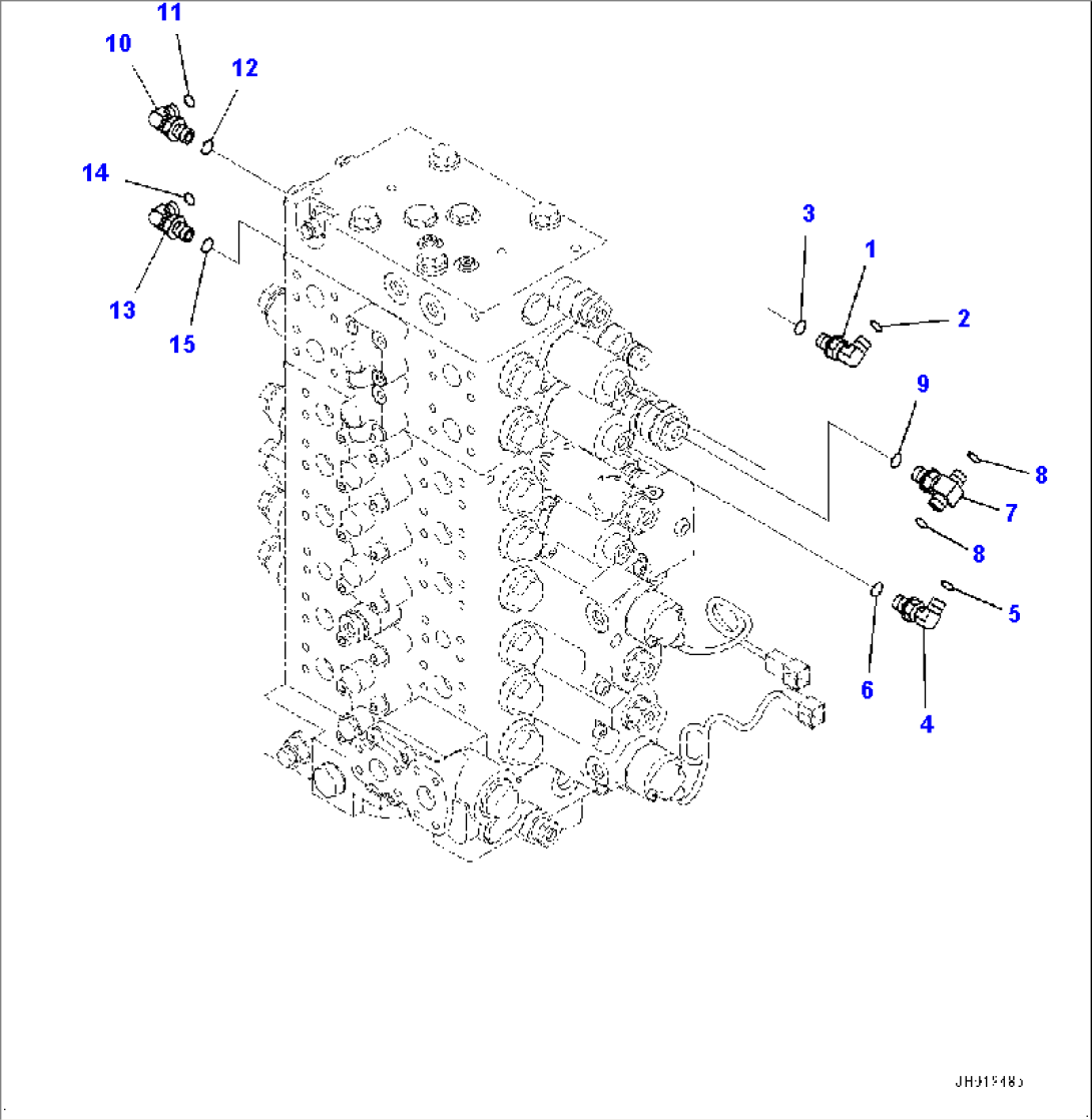
| Item | Part No. | Part Name | Qty | Serial No. |
| 1 | 11Y-62-12160 | Elbow | 451080- | |
| 2 | 02896-11008 | O-ring | 451080- | |
| 3 | 07002-11423 | O-ring | 451080- | |
| 4 | 11Y-62-12160 | Elbow | 451080- | |
| 5 | 02896-11008 | O-ring | 451080- | |
| 6 | 07002-11423 | O-ring | 451080- | |
| 7 | 11Y-62-12250 | Tee | 451080- | |
| 8 | 02896-11008 | O-ring | 451080- | |
| 9 | 07002-11423 | O-ring | 451080- | |
| 10 | 11Y-62-12160 | Elbow | 451080- | |
| 11 | 02896-11008 | O-ring | 451080- | |
| 12 | 07002-11423 | O-ring | 451080- | |
| 13 | 11Y-62-12160 | Elbow | 451080- | |
| 14 | 02896-11008 | O-ring | 451080- | |
| 15 | 07002-11423 | O-ring | 451080- |
