
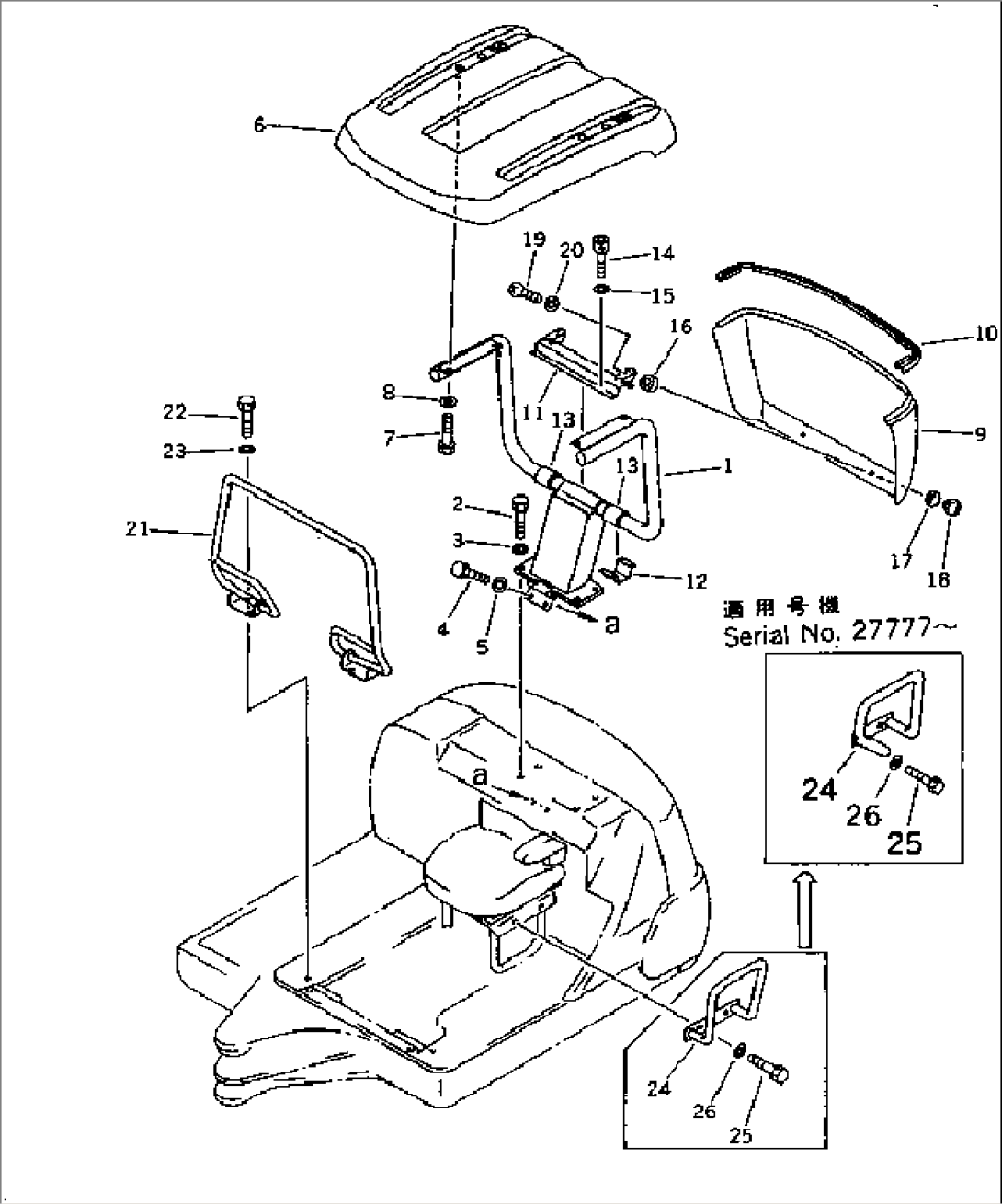
Item | Part No. | Part Name | Qty | Serial No. |
1 | 20N-54-71416 | POLE | 27777- | |
1 | 20N-54-71411 | POLE | 25001-27776 | |
2 | 01010-51645 | BOLT | 25001- | |
3 | 01643-31645 | WASHER | 25001- | |
4 | 01010-51030 | BOLT | 25001- | |
5 | 01643-31032 | WASHER | 25001- | |
6 | 20T-54-73121 | ROOF,CANOPY | 25001- | |
7 | 01010-51025 | BOLT | 25001- | |
8 | 01643-71032 | WASHER | 25001- | |
9 | 20T-54-73230 | COVER | 25001- | |
10 | 20T-54-73280 | SEAL | 25001- | |
11 | 20P-54-71410 | PLATE | 25001- | |
12 | 20P-54-71420 | BRACKET | 25001- | |
13 | 20P-54-71430 | CUSHION | 25001- | |
14 | 01252-40616 | BOLT | 25001- | |
15 | 01643-70623 | WASHER | 25001- | |
16 | 20T-54-74890 | GROMMET | 25001- | |
17 | 20T-54-74880 | GROMMET | 25001- | |
18 | 20P-54-71440 | NUT | 25001- | |
19 | 01220-40620 | SCREW | 25001- | |
20 | 01643-30623 | WASHER | 25001- | |
21 | 20N-54-71366 | GUARD | 27777- | |
21 | 20N-54-71361 | GUARD | 25001-27776 | |
22 | 01010-51025 | BOLT | 25001- | |
23 | 01643-31032 | WASHER | 25001- | |
24 | 20N-54-71656 | STAY | 27777- | |
24 | 20N-54-71651 | STAY | 26064-27776 | |
24 | 20N-54-71650 | STAY | 25001-26063 | |
25 | 01010-51025 | BOLT | 25001- | |
26 | 01643-31032 | WASHER | 25001- |