
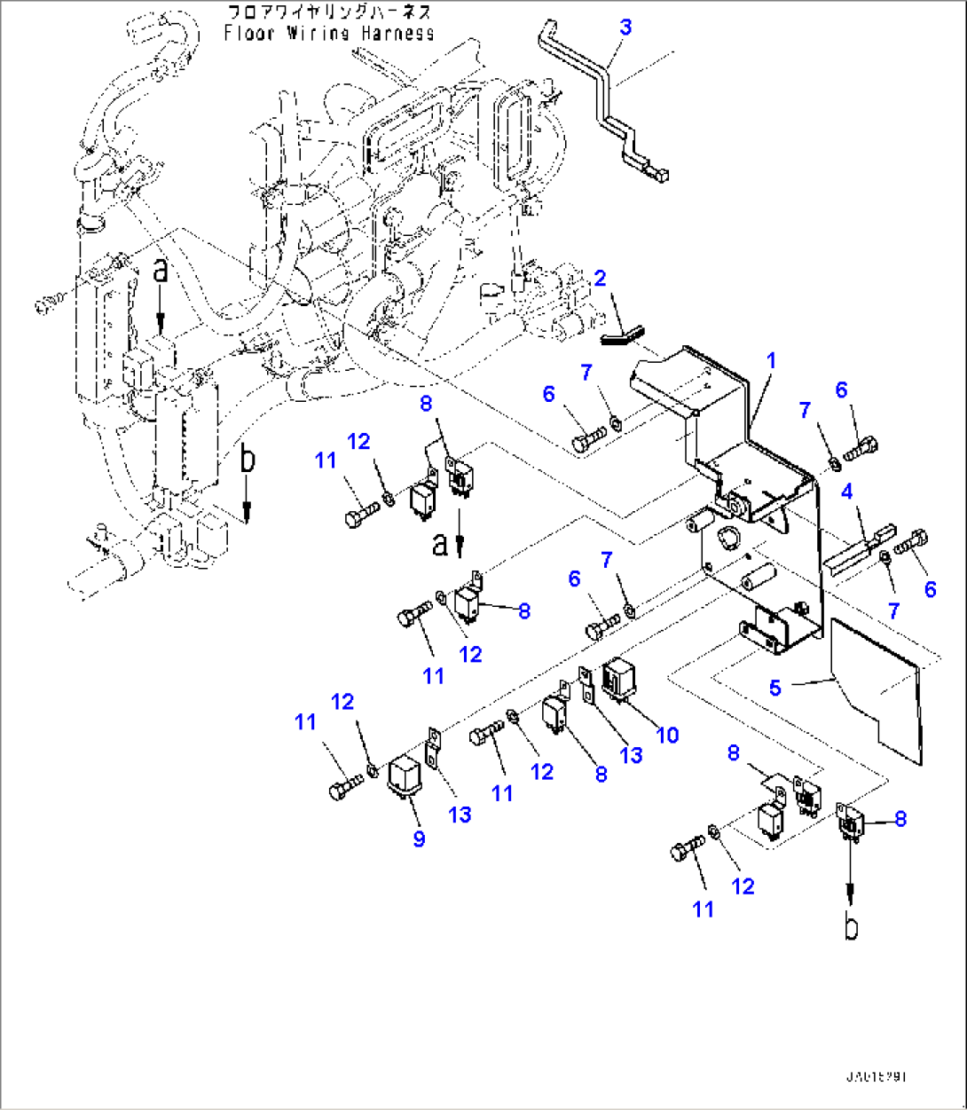
| Item | Part No. | Part Name | Qty | Serial No. |
| 1 | 14X-06-73771 | Bracket | 22083- | |
| 2 | 12Y-978-2160 | Seal | 22083- | |
| 3 | 17A-06-51521 | Seal | 22083- | |
| 4 | 17A-06-51530 | Seal | 22083- | |
| 5 | 17A-06-51721 | Seal | 22083- | |
| 6 | 01010-D0825 | Bolt | 22083- | |
| 7 | 01643-70823 | Washer | 22083- | |
| 8 | 7861-74-5100 | Relay | 22083- | |
| 9 | 569-06-61970 | Relay | 22083- | |
| 10 | 569-06-61960 | Relay | 22083- | |
| 11 | 01010-80616 | Bolt | 22083- | |
| 12 | 01643-30623 | Washer | 22083- | |
| 13 | 287-06-16420 | Bracket | 22083- |
