
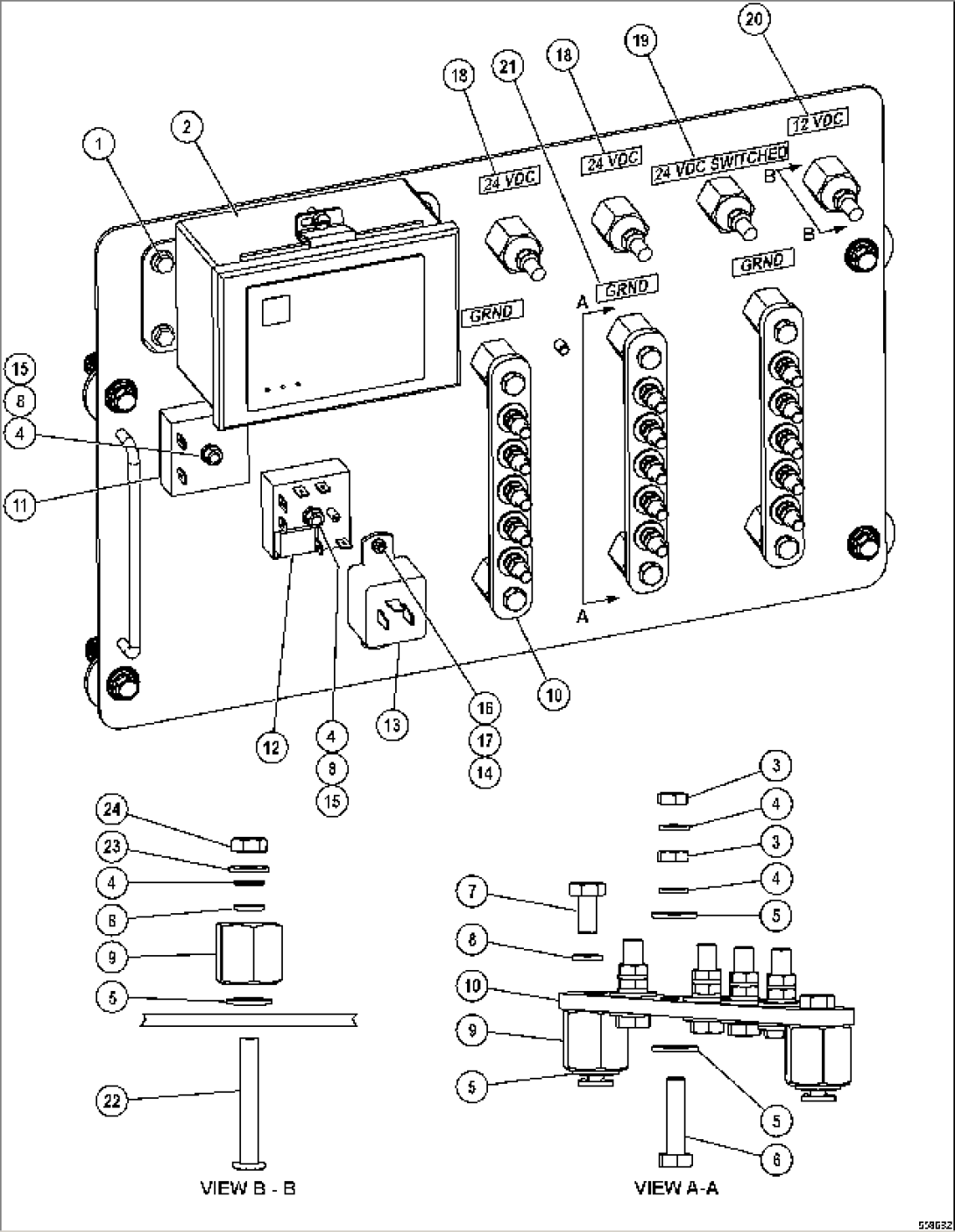
| Item | Part No. | Part Name | Qty | Serial No. |
| 1 | AH31127R1 | Bolt, Hexagon Socket Head | 80138- | |
| 2 | AHPC2667 | Timer | 80138- | |
| 3 | AHVN2882 | Nut | 80138- | |
| 4 | AHMM0207 | Washer, Lock | 80138- | |
| 5 | AHTR1307 | Washer | 80138- | |
| 6 | AHVC3573 | Bolt | 80138- | |
| 7 | AHTD1548 | Bolt | 80138- | |
| 8 | AHMM0702 | Washer | 80138- | |
| 9 | AHTA7409 | Insulator | 80138- | |
| 10 | AHEG2305 | Bar | 80138- | |
| 11 | AHPC2393 | Flasher | 80138- | |
| 12 | AHPC1518 | Module, Timer Delay Relay | 80138- | |
| 13 | AHPC0566 | Module, Wiper Delay Timer | 80138- | |
| 14 | 01640-20408 | Washer | 80138- | |
| 15 | AHMM0176 | Nut | 80138- | |
| 16 | AHMM0205 | Washer, Lock | 80138- | |
| 17 | 01580-60403 | Nut | 80138- | |
| 18 | AHSM2482 | Name Plate | 80138- | |
| 19 | AHSM2998 | Name Plate | 80138- | |
| 20 | AHSM2483 | Name Plate | 80138- | |
| 21 | AHSM2481 | Name Plate | 80138- | |
| 22 | AHED0913 | Rod | 80138- | |
| 23 | AHVF6144 | Washer | 80138- | |
| 24 | AHTD1549 | Nut | 80138- |
