
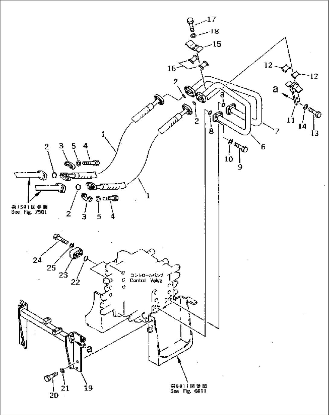
| Item | Part No. | Part Name | Qty | Serial No. | 
| 1 | 207-62-52610 | HOSE | 20001- | |
| 2 | 07000-13032 | O-RING | 20001- | |
| 3 | 07371-31049 | FLANGE,SPLIT | 20001- | |
| 4 | 07372-21035 | BOLT | 20001- | |
| 5 | 01643-51032 | WASHER | 20001- | |
| 6 | 207-62-51960 | TUBE | 20001- | |
| 7 | 207-62-51970 | TUBE | 20001- | |
| 8 | 21T-09-11470 | O-RING | 20001- | |
| 9 | 07372-21040 | BOLT | 20001- | |
| 10 | 01643-51032 | WASHER | 20001- | |
| 11 | 207-62-52440 | BRACKET | 20001- | |
| 12 | 205-62-73430 | SEAT | 20001- | |
| 13 | 01010-51230 | BOLT | 20001- | |
| 14 | 01643-31232 | WASHER | 20001- | |
| 15 | 207-62-54770 | CLAMP | 20001- | |
| 16 | 205-62-73430 | SEAT | 20001- | |
| 17 | 01010-51230 | BOLT | 20001- | |
| 18 | 01643-31232 | WASHER | 20001- | |
| 19 | 207-62-52450 | BRACKET | 20001- | |
| 20 | 01010-51235 | BOLT | 20001- | |
| 21 | 01643-31232 | WASHER | 20001- | |
| 22 | 21T-09-11470 | O-RING | 20001- | |
| 23 | 207-62-56190 | FLANGE | 20001- | |
| 24 | 07372-21040 | BOLT | 20001- | |
| 25 | 01643-31032 | WASHER | 20001- | 
