
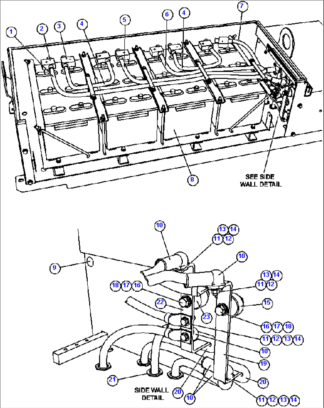
| Item | Part No. | Part Name | Qty | Serial No. |
| 1 | CH5435 | CABLE (RED) | ||
| 2 | PC0247 | CAP, TERMINAL (RED) | ||
| 3 | PC0246 | CAP, TERMINAL (BLACK) | ||
| 4 | CH3808 | CABLE (RED) | ||
| 5 | CH5720 | CABLE (BLACK) | ||
| 6 | CH5436 | CABLE (RED) | ||
| 7 | CH5721 | CABLE (BLACK) | ||
| 8 | VZ0639 | BATTERY | ||
| 9 | VP5374 | PLUG, BUTTON | ||
| 10 | 08038-00035 | CAP, TERMINAL | ||
| 11 | TD0791 | CAPSCREW - 3/8" - 16NC X 1 1/4" | ||
| 12 | TR4436 | FLAT WASHER - 3/8" | ||
| 13 | TC1231 | LOCKWASHER - 3/8" | ||
| 14 | TC1233 | NUT - 3/8" - 16NC | ||
| 15 | PC0291 | INSULATOR, CENTER POST | ||
| 16 | VC1387 | CAPSCREW - 1/2" - 13NC X 1" | ||
| 17 | TR5445 | LOCKWASHER - 1/2" | ||
| 18 | TR6008 | FLAT WASHER - 1/2" | ||
| 19 | EM7151 | BUS BAR | ||
| 20 | WA2859 | GROMMET, RUBBER | ||
| 21 | VZ1369 | LOCKNUT, CONDULET | ||
| 22 | EM7152 | BUS BAR | ||
| 23 | VZ2686 | INSULATOR, STAND OFF |
