
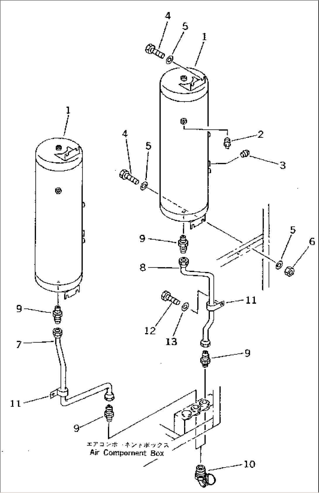
| Item | Part No. | Part Name | Qty | Serial No. |
| 1 | 428-35-15110 | RESERVOIR,DRY AIR | 10001- | |
| 2 | 07042-20312 | PLUG | 10001- | |
| 3 | 07042-00108 | PLUG | 10001- | |
| 4 | 01010-81230 | BOLT | 10001- | |
| 5 | 01643-31232 | WASHER | 10001- | |
| 6 | 01580-11210 | NUT | 10001- | |
| 7 | 428-35-11492 | TUBE | 10001- | |
| 8 | 428-35-11512 | TUBE | 10001- | |
| 9 | 423-09-12110 | CONNECTOR | 10001- | |
| 10 | 22X-44-11210 | VALVE,DRAIN | 10001- | |
| 11 | 04434-50610 | CLIP | 10001- | |
| 12 | 01010-51016 | BOLT | 10001- | |
| 13 | 01643-31032 | WASHER | 10001- |
