
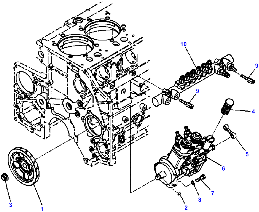
| Item | Part No. | Part Name | Qty | Serial No. |
| 1 | 6261-71-3220 | GEAR | ||
| 2 | 04010-00519 | KEY, WOODRUFF | ||
| 3 | 6219-71-3150 | NUT | ||
| 4 | 6217-71-1910 | COVER | ||
| 5 | 6217-71-5910 | TUBE | ||
| 6 | PUMP, SUPPLY (SEE FIG. A4115-B8A1) | |||
| 7 | 01010-81035 | BOLT | ||
| 8 | 01643-31032 | WASHER | ||
| 9 | 6217-71-5251 | BOLT | ||
| 10 | 6261-71-1220 | COMMON RAIL ASSEMBLY |
